Камера дезинфекционная ВФЭ-2/0.9 (камера) должна устанавливаться в специально подготовленном помещении.
В помещении не должны быть установлены (из-за большой вероятности срабатывания, при выбросах пара) датчики пожарной сигнализации дымового типа.
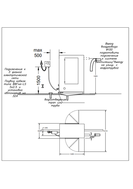
Минимальный размер проема в стене 1400х2160 мм. Рекомендуемая толщина стены не должна превышать 140 мм.
Требования по электроснабжению:
Точка подключения должна заканчиваться предохранительным автоматом на стене со
свободно свисающим кабелем длиной 1м в непосредственной близости от камеры в
соответствии с указанными требованиями.
напряжение | 380 В |
частота тока | 50 Гц |
потребляемая мощность | 9 кВт |
тип кабеля* | ВВГнг-LS 5x2.5 |
тип автомата | трехполюсный 32А |
высота установка автомата | 1,5 -1,8м от пола |
расстояние от автомата до оборудования (щит управления) | от 0,2 до 1 м |
клеммные колодки | PE+N. |
*-или аналогичный
Автомат должен быть установлен во влагозащищенном корпусе
Зоны погрузки-выгрузки должны быть хорошо освещены
Требования по водоснабжению и водоотведению:
Точка подключения должна заканчиваться шаровым краном 1/2” с наружной резьбой.
Необходимо подключить камеру к системе городского водопровода.
Водоснабжение | |
Диаметр крана: | 1/2” |
Давление, бар: | 3-5 |
Температура воды, не более | 5-15°C |
Выход трубопровода | шаровой кран, 1/2” |
Расход, л/час (max.): | 40 |
расстояние до оборудования, не более | 1 м |
Водоотведение | |
Температура отводимой воды | + 95 °C; |
диаметр | 50 мм; |
Слив организуется на пол в трап, либо в штуцер с наружной резьбой 1/2”
Требования по вентиляции:
Для оптимальной работы камеры в помещении должна поддерживаться температура в
диапазоне +18 - +35 °C, влажность 85%. Система общеобменной вентиляции должна
удалять избыток влажного воздуха с частотой 6 ÷ 10 смен/час. Необходимо подключить
выходное вентиляционное отверстие камеры к системе вентиляции гибкой гофротрубой
диаметром 100 мм.

